снят с продажи
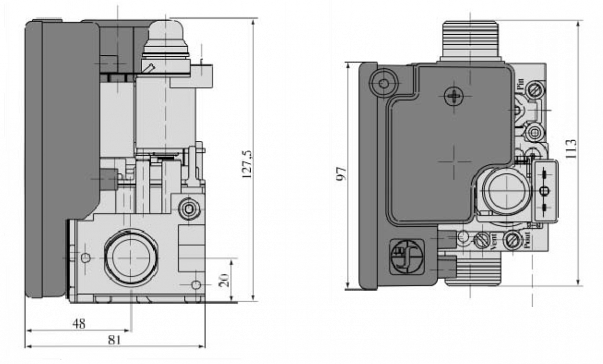
Цифровое устройство управления горелкой 579 DBC (блок) - это семейство электронных устройств со встроенными функциями, регулирующими безопасность и процесс горения в бытовых газовых приборах. Это семейство имеет те же функции, что и семейство 537 АВС, с которым оно взаимозаменяемо.

Рабочая температура окружающие среды от -20 °С до +60 °С    
Влажность 90% макс при 40 °С
Напряжение питания 230 В -15%, +10%, 50-60 Гц
Потребление энергии 12 ВА
Электрические данные:
 - газовые клапаны 
 - вентилятор 
 - сигнализация (alarm)

230 В; 0,5 А; cosϕ≥ 0.4 
230 В; 1 А; cosϕ≥ 0.6
230 В; 1А; cosϕ=1 
Электрические присоединения:
 -  высоковольтный электрод  
 -  электрод ионизации 
 -  другие присоединения 

 

male fast-on коннектор 2,8 x 0,5 мм
male fast-on коннектор 4,8 x 0,8 мм
male Molex series 2599 подходит для female Molex series 3001 и 3002 или совместимого  
Степень защиты  
Стандарт IP 40, IP 44 с уплотнениями  
Тайминги:
 - минимальное время ожидания Tw или время продувки Tp 
 - максимальное время безопасности Ts  

1 ... 240 сек
3 ... 120 сек
Фиксация пламени:
 - минимальный ток ионизации 
 - рекомендуемый ток ионизации  

0,9 мкА 
в 3 раза больше чем минимальный ток  
Предохранители:
 -  внутренний
 -  внешний  

2,5 A быстродействующий 
максимум 2 A быстродействующий  
Розжиг:
- напряжение при розжиге 
-  частота повторения 
- максимальная длина кабеля 
- зазор для искры  

15 кВ при нагрузке 30 пкФ 
25 Гц стандартно (4:50 Гц)  
1 м 
2-4 мм  
Монтаж  
Непосредственно на многофункциональные газовые регуляторы  


Оплата. Способы оплаты

Оплата товара при его получении в ПВЗ Транспортной компании НЕВОЗМОЖНА! 

Покупателю необходимо произвести онлайн оплату товара непосредственно в интернет магазине.

Оплата пересылки Транспортной Компанией оплачиваются по тарифу ТК дополнительно за счёт Заказчика в Пункте Выдачи Заказов в вашем городе при получении посылки.


Оплатить покупку можно несколькими способами:

Безналичный расчет
Доступен для юридических лиц.

Онлайн-оплата на сайте
К оплате принимаются платежные карты: VISA Inc, MasterCard WorldWide, МИР.

Для оплаты товара банковской картой при оформлении заказа в интернет-магазине выберите способ оплаты: банковской картой.

При оплате заказа банковской картой, обработка платежа происходит на авторизационной странице банка, где Вам необходимо ввести данные Вашей банковской карты:

  1. тип карты
  2. номер карты
  3. срок действия карты (указан на лицевой стороне карты)
  4. Имя держателя карты (латинскими буквами, точно также как указано на карте)
  5. CVC2/CVV2 код

Если Ваша карта подключена к услуге 3D-Secure, Вы будете автоматически переадресованы на страницу банка, выпустившего карту, для прохождения процедуры аутентификации. Информацию о правилах и методах дополнительной идентификации уточняйте в Банке, выдавшем Вам банковскую карту.

Безопасность обработки интернет-платежей через платежный шлюз банка гарантирована международным сертификатом безопасности PCI DSS. Передача информации происходит с применением технологии шифрования SSL. Эта информация недоступна посторонним лицам.

Советы и рекомендации по необходимым мерам безопасности проведения платежей с использованием банковской карты:

  1. берегите свои пластиковые карты так же, как бережете наличные деньги. Не забывайте их в машине, ресторане, магазине и т.д.
  2. никогда не передавайте полный номер своей кредитной карты по телефону каким-либо лицам или компаниям
  3. всегда имейте под рукой номер телефона для экстренной связи с банком, выпустившим вашу карту, и в случае ее утраты немедленно свяжитесь с банком
  4. вводите реквизиты карты только при совершении покупки. Никогда не указывайте их по каким-то другим причинам.

Доставка

Доставка бытового газового оборудования и запасных частей Заказчику производится одним из способов:

  1. Доставка транспортной компанией до терминала ТК в городе Заказчика или до адресата.

    Мы осуществляем доставку по всей России с помощью транспортных компаний "Пэк", "Деловые линии", "Сдек", "ЯндексДоставка", "КИТ",  "Энергия", "Байкал Сервис".

    С условиями доставки и тарифами можно ознакомиться на официальных сайтах перечисленных транспортных компаний. Перед отправкой наш сотрудник, в телефонном режиме, озвучит примерную стоимость доставки. После передачи груза в терминал ТК, мы вышлем скан транспортной накладной Вам на E-mail для получения груза.

    При получении заказа в ТК при себе необходимо иметь документ, удостоверяющий личность.

    **Расходы по доставке за счет Заказчика.


  2. Развозная торговля.

    Доставка товара Заказчику до места транспортом Поставщика, при условии комплектования сборного груза для разных Заказчиков по отработанным логистическим маршрутам.

    **Расходы по доставке за счет Поставщика.
0

Корзина

Профиль

Звонок